RS232C Level Converter

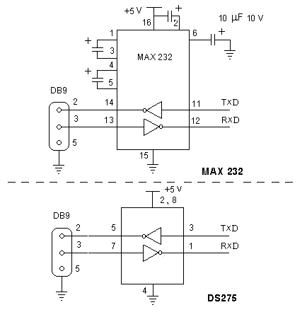
A standard serial interfacing for PC, RS232C, requires negative logic, i.e., logic '1' is -3V to -12V and logic '0' is +3V to +12V. To convert a TTL logic, say, TxD and RxD pins of the uC chips, thus need a converter chip. A MAX232 chip has long been using in many uC boards. It provides 2-channel RS232C port and requires external 10uF capacitors. Carefully check the polarity of capacitor when soldering the board. A DS275, however, no need external capacitor and smaller. Either circuit can be used without any problems.  

Wichit Sirichote, kswichit@kmitl.ac.th



Build Your Own uC Projects

Last updated, 9 October 2542