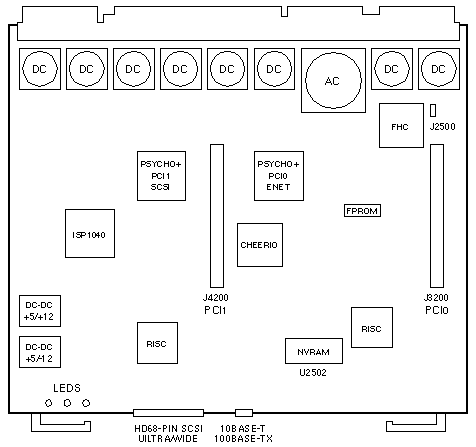
PCI I/O Board
E3000 / E4000 / E5000 / E6000
E3500 / E4500 / E5500 / E6500 Option 2630
| 501-3023 |
501-4325 |
I/O Type 3 83MHz Gigaplane |
I/O Type 3 FRU w 2× 5V Risers |
 |
|
| Backpanel and Connectors |
 |
Jumper Settings
| JUMPER |
PINS |
SETTING |
DESCRIPTION |
| J2500 |
1-2 |
Out |
Inv Adr 1 |
Notes
- The minimum Ex000 operating system is 2.5.1.
- The minimum Ex500 OS is 2.5.1 HW: 11/97 or 2.6 HW: 3/98.
- The Gigaplane runs at the speed of the slowest detected board.
- The E3000-E6000 CPU/Memory Board requires OBP 3.2 Version 8.
- Patch
103346-06
includes OBP 3.2 Version 8.
- Option 2630 includes two 5V Riser Boards and two 3.3V Riser Boards.
- Up to three PCI I/O Boards are supported in the E3x00.
- Up to six PCI I/O Boards are supported in the E4x00, E5x00, and E6x00.
- The following cable types are supported:
50/125 Multimode Fiber up to 2 Kilometers
62.5/125 Multimode Fiber up to 500 meters
FlashPROM Notes
- Use the Flash PROM Programming Utility to update the FCode.
- Use the prom-copy command (src dst prom-copy) to copy a flash PROM.
- ok 2 b prom-copy (copies from board 2 to board 11)
- Use the update-proms command to synchronize the latest version of
the flash PROM installed in the system to all boards of the same type.
NVRAM Notes
- The Clock Board and I/O Board NVRAMs are automatically synchronized when
the Clock Board NVRAM contents matches at least one I/O Board NVRAM.
- Use the following OBP command to manually synchronize a new or replacement
I/O Board to an existing Clock Board:
- ok copy-clock-tod-to-io-boards
- Use the following OBP command to manually synchronize a new or replacement
Clock Board to an existing I/O Board:
- ok (ioboard# in hex) copy-io-board-tod-to-clock-tod
ISP1040 Ultra SCSI Controller Notes
- The ISP 1040 is an Ultra SCSI controller.
- Ultra SCSI transfer rates are not supported as of 6/98.
- Disable Ultra SCSI transfers to the onboard SCSI controller.
- Refer to
PCI I/O Product Note, 805-3364 of September 1997.
References
PCI I/O Board Installation, 805-1372.
Ultra Enterprise 3000 System Manual, 802-6051.
Ultra Enterprise 4000/5000/6000 System Manual, 802-3845.
System Flash PROM Programming Guide, 802-5579.
PCI I/O Board
E3000 / E4000 / E5000 / E6000
E3500 / E4500 / E5500 / E6500
Option 2632
| 501-4881 |
501-4926 |
I/O Type 3 83/90/100MHz Gigaplane |
I/O Type 3 FRU w 2× 5V Risers |
 |
|
| Backpanel and Connectors |
 |
Jumper Settings
| JUMPER |
PINS |
SETTING |
DESCRIPTION |
| J2500 |
1-2 |
Out |
Inv Adr 1 |
Notes
- The minimum Ex000 operating system is 2.5.1.
- The minimum Ex500 OS is 2.5.1 HW: 11/97 or 2.6 HW: 3/98.
- The Gigaplane runs at the speed of the slowest detected board.
- Option 2632 includes two 5V Riser Boards and two 3.3V Riser Boards.
- Up to three PCI I/O Boards are supported in the E3x00.
- Up to six PCI I/O Boards are supported in the E4x00, E5x00, and E6x00.
- The following cable types are supported:
50/125 Multimode Fiber up to 2 Kilometers
62.5/125 Multimode Fiber up to 500 meters
FlashPROM Notes
- Use the Flash PROM Programming Utility to update the FCode.
- Use the prom-copy command (src dst prom-copy) to copy a flash PROM.
- ok 2 b prom-copy (copies from board 2 to board 11)
- Use the update-proms command to synchronize the latest version of
the flash PROM installed in the system to all boards of the same type.
NVRAM Notes
- The Clock Board and I/O Board NVRAMs are automatically synchronized when
the Clock Board NVRAM contents matches at least one I/O Board NVRAM.
- Use the following OBP command to manually synchronize a new or replacement
I/O Board to an existing Clock Board:
- ok copy-clock-tod-to-io-boards
- Use the following OBP command to manually synchronize a new or replacement
Clock Board to an existing I/O Board:
- ok (ioboard# in hex) copy-io-board-tod-to-clock-tod
ISP1040 Ultra SCSI Controller Notes
- The ISP 1040 is an Ultra SCSI controller.
- Ultra SCSI transfer rates are not supported as of 6/98.
- Disable Ultra SCSI transfers to the onboard SCSI controller.
- Refer to
PCI I/O Product Note, 805-3364 of September 1997.
References
PCI I/O Board Installation, 805-1372.
Enterprise 3500 System Reference Manual, 805-2630.
Enterprise 4500/5500/6500 System Reference Manual, 805-2632.
System Flash PROM Programming Guide, 802-5579.
|