Sun Microsystems, Inc.
spacer spacer
spacer   Sun System Handbook Home | Systems | Components | General Info | Search | Feedback 
spacer
black dot
 
black fade
 

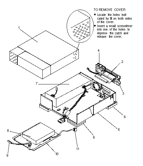
Desktop Disk Pack

552
207MB Disk

CODE PART # DESCRIPTION
1 540-1777 Disk Drive Cover Assembly
2
3
3
4
NS
NS
540-1978
150-1557
150-2049
540-1802
150-1174
340-2839
Fan/SCSI Connector/Address Select Assembly
Address Select Switch (obsolete)
Address Select Switch
Fan Assembly
2A Subminiature Fuse
Fan EMI Gasket
5
6
540-1773
330-1214
Base Assembly
Rubber Foot
7 300-1090 35 Watt Power Supply (obsolete) 1
7 300-1105 44 Watt Power Supply 1
8 370-1417 207MB Disk Drive, Conner CP30200
9 530-1522 Power Indicator LED Cable
10 340-1966 Disk Drive Bracket 2
11 530-1894 Address Select Switch Cable, 2 mm Pin Spacing 3
NS 240-1141 #6-32 × 1/4"Disk Drive Mounting Screw
NS 150-1785 Single-Ended Active Terminator, HD50
NS 530-1792 External SCSI Cable, HD50 to DD-50SA, 2.0M
NS 530-1793 External SCSI Cable, HD50 to HD50, 80 cm
NS 530-1829 External SCSI Cable, HD50 to DD-50SA, 1.0M
NS 530-1836 External SCSI Cable, HD50 to HD50, 2.0M
NS 530-1852 External SCSI Cable, HD50 to HD50, 4.0M
NS 800-4895 Desktop Storage Pack Field Service Manual

  1. The 370-1417 Disk Drive is not compatible with Power Supplies 300-1090-01 or 300-1037-xx. Use 300-1090-02 or 300-1105.
  2. Disk Drive 370-1417 requires Mounting Bracket 340-1966-04.
  3. Disk Drive 370-1417 is not compatible with Unit Select Switch Cables 530-1454 or 530-1825.

WebToneWebToneWebToneWebTone
 Copyright 1994-2003 Sun Microsystems, Inc.,  901 San Antonio Road, Palo Alto, CA 94303 USA.  All rights reserved.
 Legal Terms Privacy Policy Feedback