 |
|
|
ATL 354 Watt Power Supply
StorEdge L1000
| 370-3531-01 |
ATL 6220518 Autec PCB-5300-4123 w Rocker Switch |
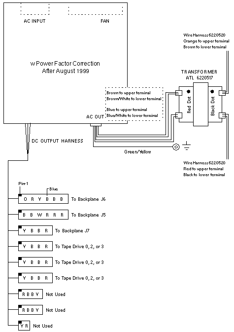
Wire Color Codes
| CODE |
COLOR |
VOLTAGE |
| B |
Black |
Gnd |
| B |
Blue |
-12V |
| O |
Orange |
+5 |
| R |
Red |
+12V |
| W |
White |
-5V |
| Y |
Yellow |
+5V |
DC Output
ATL 354 Watt Power Supply
StorEdge L1000
| 370-3531-02 |
ATL 6220571 YK Systems w/o Rocker Switch |
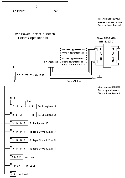
Wire Color Codes
| CODE |
COLOR |
VOLTAGE |
| B |
Black |
Gnd |
| B |
Blue |
-12V |
| O |
Orange |
+5 |
| R |
Red |
+12V |
| W |
White |
-5V |
| Y |
Yellow |
+5V |
DC Output
|
|
|