Sun Microsystems, Inc.
spacer spacer
spacer   Sun System Handbook Home | Systems | Components | General Info | Search | Feedback 
spacer
black dot
 
black fade
 

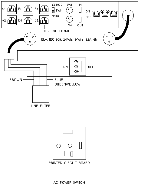
240V AC Power Sequencer

Option 964

300-1217
Sherwood Enterprises

Note

Any conversion to the Stacking Unit, including replacement of the AC Power Plug or AC Power Sequencer, voids all safety agency approvals.

WebToneWebToneWebToneWebTone
 Copyright 1994-2003 Sun Microsystems, Inc.,  901 San Antonio Road, Palo Alto, CA 94303 USA.  All rights reserved.
 Legal Terms Privacy Policy Feedback