Sun Microsystems, Inc.
spacer spacer
spacer   Sun System Handbook Home | Systems | Components | General Info | Search | Feedback 
spacer
black dot
 
black fade
 

Sun Fire[tm] V100 Server - Service Views

Sun Fire V100 Home Page
Service Views
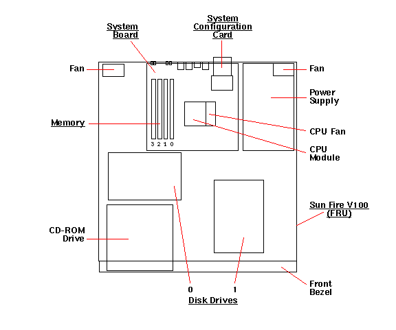
Front
Top
Rear
Components
Full Components List
Boot PROM
Disks
Memory
Miscellaneous
Power
Rack Mount Kit
Sun Fire V100 (FRU)
System Board
System Breakdown
Exploded View
Top View
(Click on underlined text to view components)
Zoom In
Memory System Board System Configuration Card Disk Drives Sun Fire V100 (FRU)
WebToneWebToneWebToneWebTone
 Copyright 1994-2003 Sun Microsystems, Inc.,  901 San Antonio Road, Palo Alto, CA 94303 USA.  All rights reserved.
 Legal Terms Privacy Policy Feedback