Sun Microsystems, Inc.
spacer spacer
spacer   Sun System Handbook Home | Systems | Components | General Info | Search | Feedback 
spacer
black dot
 
black fade
 

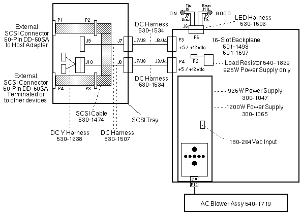
Sun 16-Slot Logic Enclosure Wiring Diagram

Sun-4/390 shipped prior to April 1990


Sun-4/390, Sun-4/490, and SPARCserver 690MP shipped after April 1990


WebToneWebToneWebToneWebTone
 Copyright 1994-2003 Sun Microsystems, Inc.,  901 San Antonio Road, Palo Alto, CA 94303 USA.  All rights reserved.
 Legal Terms Privacy Policy Feedback