Sun Microsystems, Inc.
spacer spacer
spacer   Sun System Handbook Home | Systems | Components | General Info | Search | Feedback 
spacer
black dot
 
black fade
 

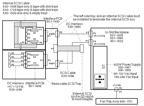
Sun 12-Slot Office Pedestal Wiring Diagram

Sun-3/470, Sun-4/370, and Sun-4/470 shipped prior to August 1991


Sun-4/470 and SPARCserver 670MP shipped after August 1991


WebToneWebToneWebToneWebTone
 Copyright 1994-2003 Sun Microsystems, Inc.,  901 San Antonio Road, Palo Alto, CA 94303 USA.  All rights reserved.
 Legal Terms Privacy Policy Feedback